ツーリング、イベント、新製品生情報、裏ネタ!? 満載でお届けするサッシュ・ブログ
先日、BRPジャパンのお二人が京都へお越しになりました。
その日は京都で宿泊される予定でしたので・・・
ま、一杯やりますか~。ってことに なりますわな。
さんざん事が起った後の、〆のラーメン。
いやぁ~ 悪い顔してますな~、僕以外。
一応、お見せできる写真だけ(笑)
終わりの記憶が曖昧ですが、
要約すれば『今年も頑張っていきましょう!』ってこと
やったと思います。
ここには書きませんが、
お待たせしております新型RTシリーズのお話しも
いろいろ教えていただきました。
さて、今日は2020年新型RTを すでに一部公開されている
パーツリストから その特徴に 迫ってみようと思います。
あくまで極私的な意見ですので聞き流してもらってOKです。
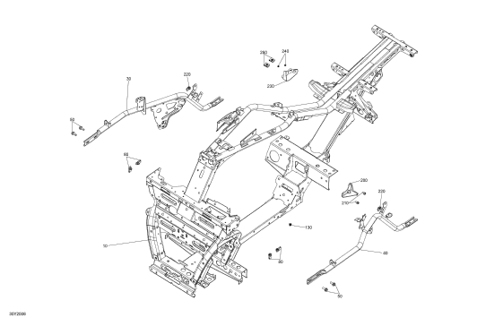
まずはなんといってもメインフレーム。
旧RT-LTD
新RT-LTD
まるで違いますね。
しかし実は、我々には非常にお馴染みの形状だったりします。
上の2つのフレームは F3LTD(左) と F3S(右) です。
後ろのサブフレーム部はそれぞれ異なりますが、
メインフレーム部がなんと、3モデル共通化されました。
並べてみても、瓜二つ。
エンジン搭載位置もぐっと低くなり、間違いなく走りは別次元でしょう。
共通部品化で大幅にコスト削減できてるので
今後発表される販売価格に期待しましょう。
ちなみに燃料タンクはRT新旧モデル共通です。
搭載位置もほぼ同じでしょう。
続いて、吸排気系をみます。
旧RT-LTD
新RT-LTD
エアクリーナーボックス、エアクリーナー本体に
変更無し。
旧RT-LTD
新RT-LTD
サイレンサーやキャタライザーは
これまでにもステー類の変更があったので無視。
O2センサーを取り付けるフロントパイプは
新旧共通です。吸排気系も 大幅な変更は なさそうですね。
あと前後足回り。
旧RT-LTD
新RT-LTD
フロント、上下Aアームは全年式共通ですが
CLUB BRPで開発陣から聞いていた通り、
フロントサスペンションが一新されています。
スイングアームも全年式共通、さらにF3LTDとも従来から共通。
今回の検証から、
おそらく新型RTシリーズは F3シリーズに近い走りを
手に入れて、従来のRTよりもスポーティな味付けに
なっているのではないかと思います。
RTをこってりカスタムし、追いつきもしないF3の背中を必至に追い、
峠を攻めていた方は、すぐ乗り換え決定です。ディーラーへお急ぎください。
逆に、いままで通り、ゆったりと景色を眺めながら
マイペースでツーリングを楽しんでおられる方は
とことん乗り続ける方向でOKです。
誤解を恐れずに言えば、新型RTというよりは
『スパイダーシリーズ第4のモデル』
と表現する方が、どうもマッチしている気がします。
まぁだいたいこんなかんじでしょうね。
あとは どの程度 F3シリーズ寄り なのか?が
大きなポイントになりそうです。
来月海外で開催される新型RT試乗会まで
もうしばらくお待ちください。
その日は京都で宿泊される予定でしたので・・・
ま、一杯やりますか~。ってことに なりますわな。
さんざん事が起った後の、〆のラーメン。
いやぁ~ 悪い顔してますな~、僕以外。
一応、お見せできる写真だけ(笑)
終わりの記憶が曖昧ですが、
要約すれば『今年も頑張っていきましょう!』ってこと
やったと思います。
ここには書きませんが、
お待たせしております新型RTシリーズのお話しも
いろいろ教えていただきました。
さて、今日は2020年新型RTを すでに一部公開されている
パーツリストから その特徴に 迫ってみようと思います。
あくまで極私的な意見ですので聞き流してもらってOKです。
まずはなんといってもメインフレーム。
旧RT-LTD
新RT-LTD
まるで違いますね。
しかし実は、我々には非常にお馴染みの形状だったりします。
上の2つのフレームは F3LTD(左) と F3S(右) です。
後ろのサブフレーム部はそれぞれ異なりますが、
メインフレーム部がなんと、3モデル共通化されました。
並べてみても、瓜二つ。
エンジン搭載位置もぐっと低くなり、間違いなく走りは別次元でしょう。
共通部品化で大幅にコスト削減できてるので
今後発表される販売価格に期待しましょう。
ちなみに燃料タンクはRT新旧モデル共通です。
搭載位置もほぼ同じでしょう。
続いて、吸排気系をみます。
旧RT-LTD
新RT-LTD
エアクリーナーボックス、エアクリーナー本体に
変更無し。
旧RT-LTD
新RT-LTD
サイレンサーやキャタライザーは
これまでにもステー類の変更があったので無視。
O2センサーを取り付けるフロントパイプは
新旧共通です。吸排気系も 大幅な変更は なさそうですね。
あと前後足回り。
旧RT-LTD
新RT-LTD
フロント、上下Aアームは全年式共通ですが
CLUB BRPで開発陣から聞いていた通り、
フロントサスペンションが一新されています。
スイングアームも全年式共通、さらにF3LTDとも従来から共通。
今回の検証から、
おそらく新型RTシリーズは F3シリーズに近い走りを
手に入れて、従来のRTよりもスポーティな味付けに
なっているのではないかと思います。
RTをこってりカスタムし、追いつきもしないF3の背中を必至に追い、
峠を攻めていた方は、すぐ乗り換え決定です。ディーラーへお急ぎください。
逆に、いままで通り、ゆったりと景色を眺めながら
マイペースでツーリングを楽しんでおられる方は
とことん乗り続ける方向でOKです。
誤解を恐れずに言えば、新型RTというよりは
『スパイダーシリーズ第4のモデル』
と表現する方が、どうもマッチしている気がします。
まぁだいたいこんなかんじでしょうね。
あとは どの程度 F3シリーズ寄り なのか?が
大きなポイントになりそうです。
来月海外で開催される新型RT試乗会まで
もうしばらくお待ちください。
PR
カレンダー
ブログ内検索
アーカイブ
カテゴリー
最新記事
(11/18)
(11/18)
(11/18)
(11/17)
(11/16)
(11/12)
(11/09)
(11/08)
(11/04)
(11/01)
アクセス解析
カウンター